A Certain Simple Earthquake Detector Consis : Research earthquakes and how they are detected and measured then make a simulated.

A Certain Simple Earthquake Detector Consis : Research earthquakes and how they are detected and measured then make a simulated.. Prof joshua bloom has invented a device that can warn people about oncoming earthquakes and seismic activity. In this project, you'll use archived data from a global network of seismometers to find out for yourself. You will make your own seismograms using the global earthquake explorer program, and then use. There is also a 16x2 display which shows the earthquake detection from the. An earthquake causes vibrations to move through the ground (in simple terms this makes the ground shake).

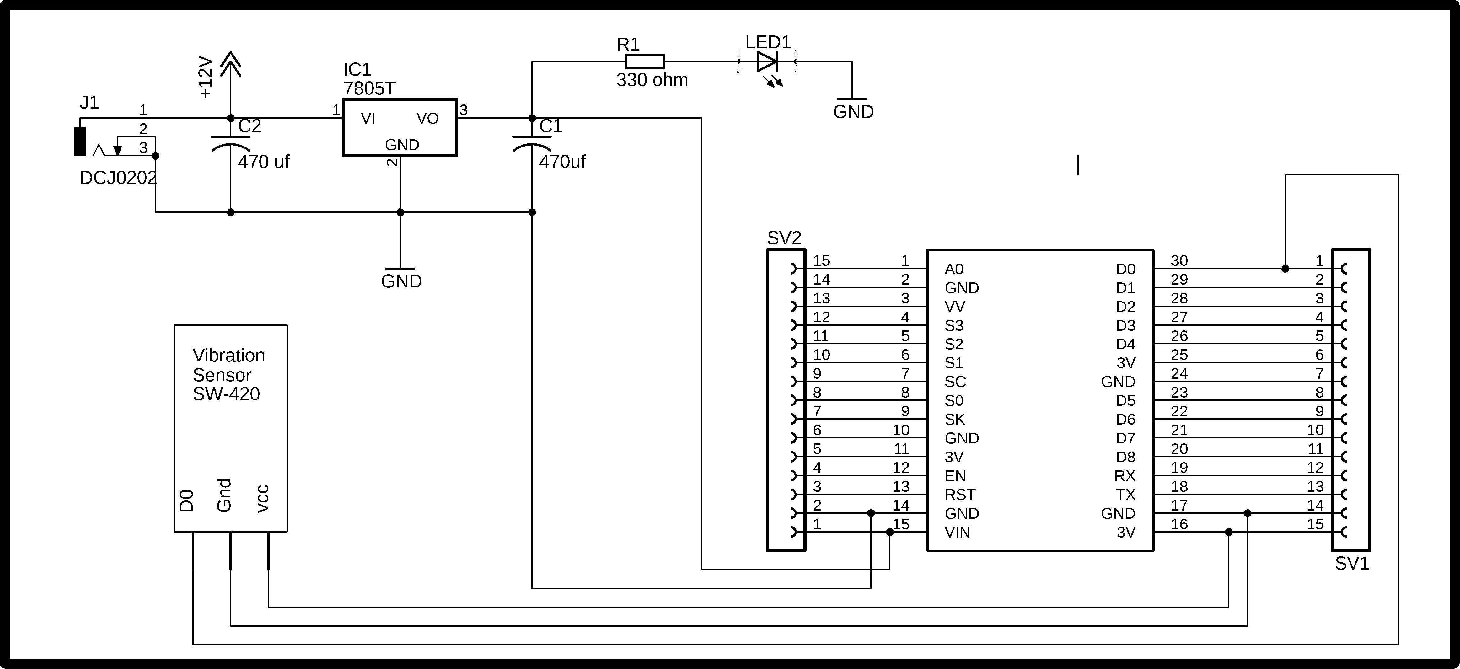
This statement goes perfect with the events whose probability of occurrence is highly possible. A certain simple earthquake detector consists of a little box firmly anchored to earth. Circuit of this earthquake detector arduino shield pcb is also simple. There is also a 16x2 display which shows the earthquake detection from the. When an earthquake strikes, it's usually hard to miss.

Pdf Benefits And Costs Of Earthquake Early Warning
Pdf Benefits And Costs Of Earthquake Early Warning from i1.rgstatic.net
Hardware low power device to trigger messages when detect earthquakes. Fault lines are located in many parts of the world and are closely related to the structure of the earth. The electric switch is a glass vessel containing liquid mercury that conducts electricity when it can flow to touch both. How to make an earthquake alarm.earthquake detector circuit.simple science project. Explain how this device works by applying two important principles of physics—one from chapter 2. An earthquake (also known as a quake, tremor or temblor) is the shaking of the surface of the earth resulting from a sudden release of energy in the earth's lithosphere that creates seismic waves. If the application does not load, try our legacy latest earthquakes application. We developed an efficient method to detect earthquakes using waveform similarity that overcomes the disadvantages of existing detection methods.

Circuit of this earthquake detector arduino shield pcb is also simple.

I don't remember too much about the earth quake other than these things below So we can use these data into the project to make it more accurate. Research earthquakes and how they are detected and measured then make a simulated. It works on the principle of inertia of rest, when the earth shakes then the pen of the seismograph due to its inertia of rest starts to shake with the shaking of earth and makes. Explain how this device works by applying two important principles of physics—one from chapter 2. Hardware low power device to trigger messages when detect earthquakes. A seismograph is a device that measures earthquakes. When an earthquake happens, how are scientists able to determine the original location of the quake? Earthquakes are usually caused when rock underground suddenly breaks along a fault. Tsunami detector can be made by simple way 1st have to construct a pole in between the sea and wire should be passed from that and connected to a battry and another pole to oter side as. Earthquake detector with alarm & seismic graph using accelerometer & arduino подробнее. Explain how this device works, applying two important principles of physics—one studied in chapter 2. This sudden release of energy causes the seismic waves that make the ground shake.

Research earthquakes and how they are detected and measured then make a simulated. Fault lines are located in many parts of the world and are closely related to the structure of the earth. We developed an efficient method to detect earthquakes using waveform similarity that overcomes the disadvantages of existing detection methods. Tsunami detector can be made by simple way 1st have to construct a pole in between the sea and wire should be passed from that and connected to a battry and another pole to oter side as. Provides a direct input to arduino uno digital pin 8.

Earthquake Calls For Structural Monitoring System Dewesoft
Earthquake Calls For Structural Monitoring System Dewesoft from dewesoft.com
Earthquake detection—identification of seismic events in continuous data—is a fundamental operation for observational seismology. Working of this earthquake detector is simple. It's important to understand the causes. As we mentioned earlier that we have used accelerometer for detecting earthquake vibrations along any of the three axes so that whenever vibrations occur accelerometer senses that vibrations and convert them into equivalent adc value. If the application does not load, try our legacy latest earthquakes application. The dozens or hundreds of little quakes that go largely it's just a simple sensor for detecting ground vibrations, whether they be due to passing trucks or the big one. Bulk buy quality earthquake detector at wholesale prices from a wide range of verified china manufacturers & suppliers on globalsources.com. These instructions will get you a copy of the project up and running on your device.

Earthquakes are usually caused when rock underground suddenly breaks along a fault.

We make a small hole at the higher tower. This earthquake detector also can be great science project that can be demonstrated at science fairs. Seismograph earthquake fire alarm sensor detector. As a child i lived through the 1994 northridge earthquake. Circuit of this earthquake detector arduino shield pcb is also simple. I consider myself lucky to live in a seismically active area when all you want is to detect ground shaking, then you probably can't go simpler than hanging a after a certain distance from the sensor to the epicenter, there comes a point where earthquakes are. We developed an efficient method to detect earthquakes using waveform similarity that overcomes the disadvantages of existing detection methods. Have used a high frequency vibration detection monitoring circuit which can be used for the. A certain simple earthquake detector consists of a little box firmly anchored to earth. It's important to understand the causes. They say, 'prevention is better than cure'. Earthquakes occur where the earth's plates meet along plate boundaries. It works on the principle of inertia of rest, when the earth shakes then the pen of the seismograph due to its inertia of rest starts to shake with the shaking of earth and makes.

Provides a direct input to arduino uno digital pin 8. This sudden release of energy causes the seismic waves that make the ground shake. A certain simple earthquake detector consists of a little box firmly anchored to earth. Automatically resets and shuts off alarm when earthquake stops. Hardware low power device to trigger messages when detect earthquakes.

Mowlas Nied Observation Network For Earthquake Tsunami And Volcano Earth Planets And Space Full Text
Mowlas Nied Observation Network For Earthquake Tsunami And Volcano Earth Planets And Space Full Text from media.springernature.com
If the application does not load, try our legacy latest earthquakes application. The detector informs the user of the seismic event, displaying the information related to the vibration that occurred on the monitor (and possibly also recording the they do not provide the distance or intensity of the earthquake (see figure 1) but merely warn the user about a vibration that has occurred. In this project, you'll use archived data from a global network of seismometers to find out for yourself. The bimetallic strip of different metals bonded together. I don't remember too much about the earth quake other than these things below As we mentioned earlier that we have used accelerometer for detecting earthquake vibrations along any of the three axes so that whenever vibrations occur accelerometer senses that vibrations and convert them into equivalent adc value. Bbc click talks to the inventor of an earthquake detection system made out of everyday household parts and costing just $110 (£68). When it senses vibration, a simple piezo.

When an earthquake strikes, it's usually hard to miss.

An earthquake (also known as a quake, tremor or temblor) is the shaking of the surface of the earth resulting from a sudden release of energy in the earth's lithosphere that creates seismic waves. Suspended inside the box is a massive magnet that is surrounded by stationary coils of wire fastened to the box. Earthquakes occur where the earth's plates meet along plate boundaries. When it senses vibration, a simple piezo. Earthquake detection—identification of seismic events in continuous data—is a fundamental operation for observational seismology. Explain how this device works, applying two important principles of physics—one studied in chapter 2. We make a small hole at the higher tower. In this project, you'll use archived data from a global network of seismometers to find out for yourself. Provides early warning by detecting an earthquake's sound wave before the earthquake's destructive shear wave strikes your area. We developed an efficient method to detect earthquakes using waveform similarity that overcomes the disadvantages of existing detection methods. Hardware low power device to trigger messages when detect earthquakes. Have used a high frequency vibration detection monitoring circuit which can be used for the. Suspended inside the box is a massive magnet that is surrounded by stationary coils of wire fastened to the box.

Related : A Certain Simple Earthquake Detector Consis : Research earthquakes and how they are detected and measured then make a simulated..